Modular Fixation Kit S

This fixation kit allows the Asyfill S to be mounted at the ideal height. This fixation kit is typically required for the Asyfill S to fit the Asycube 380 or 530 or when an accessory needs the Asyfill to be raised slightly. The fixation kit for Asyfill S can be assembled in two manners:

  • Assembly variant 1 allows to mount the Asyfill S on Asycube 380 or 530.

  • Assembly variant 2 allows to mount the Asyfill S on the Asycube 240 with a slide.

../../_images/fixation_kit_small_variants_wireframe.png

Fig. 33 Assembly variant 1 (left) and variant 2 (right)

../../_images/fixation_kit_small_hidden.png

Fig. 34 Use examples of the modular fixation kit for Asyfill S

Note

The fixation kit for Asyfill S is not compatible with the Asyfill M or L. For Asyfill M or L, use the fixation kit for Asyfill M/L

Note

The assembly variant 2 is not compatible with the silo

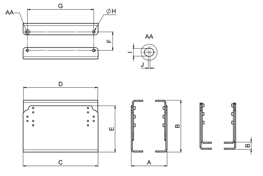
Dimensions

../../_images/fixation_kit_small_dimensions.png
Table 17 Modular fixation kit S - dimensions

Dimensions (mm)

Variant 1

Variant 2

A

124

B

165-240 in steps of 15

25-70 in steps of 15

C

260

D

258

E

161

F

64

G

230

H

9

I

9

J

2

Note

CAD files are available in the Downloads section.

Assembly

After selecting the assembly variant, proceed as follows:

  • Step 1 Choose the fixation height and fasten 2x M6 screws

  • Step 2 Secure by fastening 4x M6 screws

  • Step 3 Repeat for the second half of the fixation kit

../../_images/fixation_kit_small_assembly.png
../../_images/fixation_kit_small_assembled.png

Fig. 35 Modular fixation kit for Asyfill S assembled (variant 1)