Warning
You are reading an old version of this documentation. If you want up-to-date information, please have a look at 2025.09 .Modular Fixation Kit S
This fixation kit allows the Asyfill S to be mounted at the ideal height. This fixation kit is typically required for the Asyfill S to fit the Asycube 380 or 530 or when an accessory needs the Asyfill to be raised slightly. The fixation kit for Asyfill S can be assembled in two manners:
Assembly variant 1 allows to mount the Asyfill S on Asycube 380 or 530.
Assembly variant 2 allows to mount the Asyfill S on the Asycube 240 with a slide.

Fig. 33 Assembly variant 1 (left) and variant 2 (right)

Fig. 34 Use examples of the modular fixation kit for Asyfill S
Note
The fixation kit for Asyfill S is not compatible with the Asyfill M or L. For Asyfill M or L, use the fixation kit for Asyfill M/L
Note
The assembly variant 2 is not compatible with the silo
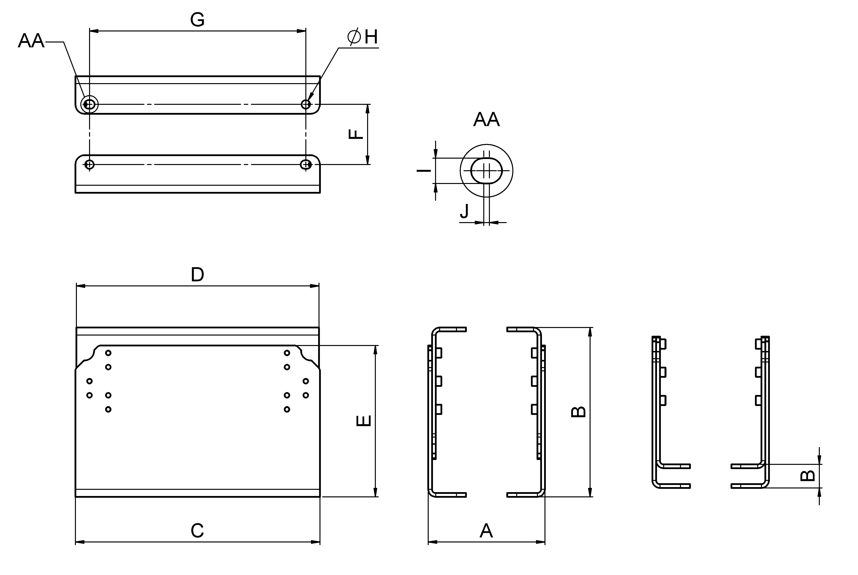
Dimensions

Dimensions (mm) |
Variant 1 |
Variant 2 |
---|---|---|
A |
124 |
|
B |
165-240 in steps of 15 |
25-70 in steps of 15 |
C |
260 |
|
D |
258 |
|
E |
161 |
|
F |
64 |
|
G |
230 |
|
H |
9 |
|
I |
9 |
|
J |
2 |
Note
CAD files are available in the Downloads section.
Assembly
After selecting the assembly variant, proceed as follows:
Step 1 Choose the fixation height and fasten 2x M6 screws
Step 2 Secure by fastening 4x M6 screws
Step 3 Repeat for the second half of the fixation kit


Fig. 35 Modular fixation kit for Asyfill S assembled (variant 1)