モジュラー式固定キット S

アジフィル S 用の固定キットを使うことにより、理想的な高さに取り付け可能です。この固定キットは、通常、アジフィル S を Asycube 380/530 に設置する時に、または、アクセサリを容器に取り付ける際にアジフィルを少し上にする時にも必要になります。アジフィル S の組み立て方法は2つあります:

  • 組み立て方法① は、アジフィル S を Asycube 380/530 上に取り付け可能です。

  • 組み立て方法② は、アジフィル S を Asycube 240 上に スライダー で取り付け可能です。

../../_images/fixation_kit_small_variants_wireframe.png

図 33 組み立て方法①(左)、組み立て方法②(右)

../../_images/fixation_kit_small_hidden.png

図 34 アジフィル S 用モジュール式固定キットの使用例

注釈

アジフィル S 用の固定キットは、アジフィル M/L には対応していません。アジフィル M/L には、 アジフィルM/L用固定キット をご使用してください。

注釈

組み立て方法②は、 サイロ に対応していません。

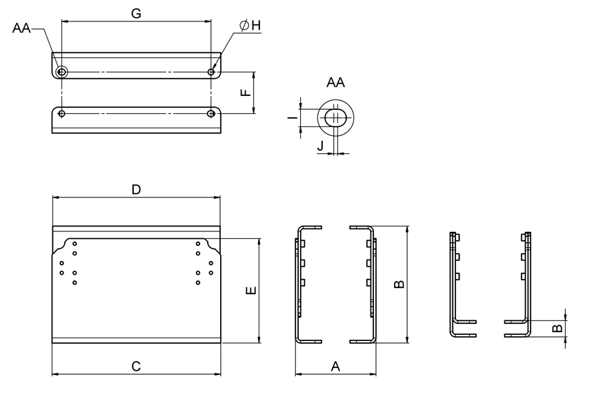
寸法

../../_images/fixation_kit_small_dimensions.png
表 17 モジュラー式固定キット S - 寸法

寸法(mm)

組み立て方法①

組み立て方法②

A

124

B

15ステップに165〜240

15ステップに25〜70

C

260

D

258

E

161

F

64

G

230

H

9

I

9

J

2

注釈

各種アジフィル用の CAD モデルは、 ダウンロード セクションをご用意しております。

組み立て

組み立て方法を選択したら、次へ進んでください:

  • 【ステップ 1】 固定高さを選び、2本の M6 ネジで固定する。

  • 【ステップ 2】 4本の M6 ネジで固定する。

  • 【ステップ 3】 固定キットのもう片側も同様に固定する。

../../_images/fixation_kit_small_assembly.png
../../_images/fixation_kit_small_assembled.png

図 35 アジフィル S 用モジュラー式固定キットの組み立て完了(組み立て方法①)