Avertissement

Vous lisez une ancienne version de cette documentation. Si vous souhaitez obtenir des informations actualisées, veuillez consulter la version 2025.11 .

Kit de fixation modulaire S

Ce kit de fixation permet d’installer un Asyfill S à la hauteur idéale. Ce kit de fixation est typiquement nécessaire pour combiner un Asyfill S à un Asycube 380 ou 530 ou lorsqu’un accessoire nécessite une légère surélévation de l’Asyfill. Le kit de fixation pour Asyfill S peut être assemblé de deux manières :

  • La variante d’assemblage 1 permet de combiner un Asyfill S avec un Asycube 380 ou 530.

  • La variante d’assemblage 2 permet de combiner un Asyfill S disposant d’un slide avec un Asycube 240.

../../_images/fixation_kit_small_variants_wireframe.png

Fig. 33 Variante d’assemblage 1 (gauche) et 2 (droite)

../../_images/fixation_kit_small_hidden.png

Fig. 34 Exemples d’utilisation du kit de fixation modulaire pour Asyfill S

Note

Le kit de fixation pour Asyfill S n’est pas compatible avec les Asyfills M ou L. Pour les Asyfills M ou L, utilisez le kit de fixation pour Asyfill M/L

Note

La variante d’assemblage 2 n’est pas compatible avec le silo

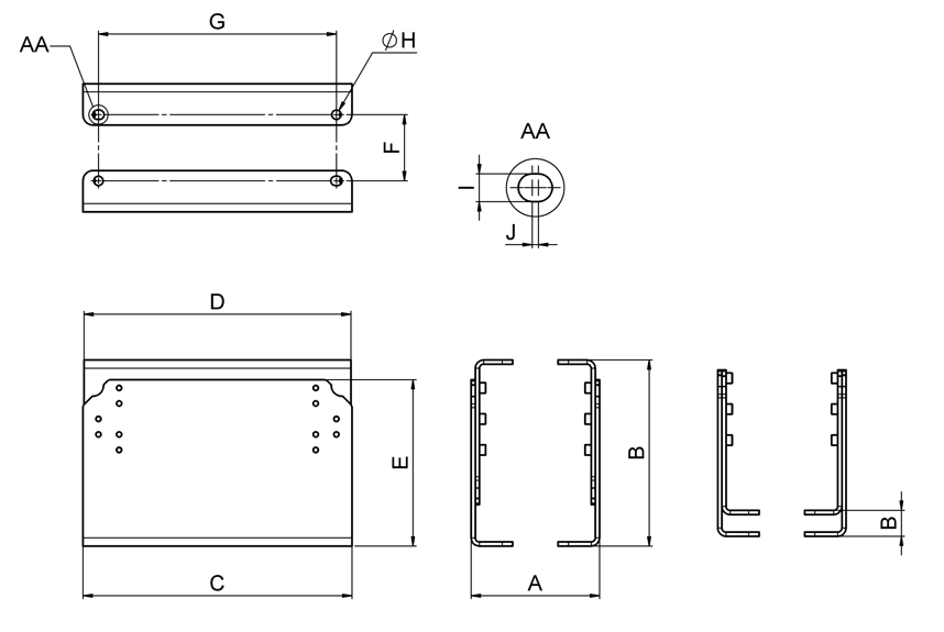
Dimensions

../../_images/fixation_kit_small_dimensions.png
Tableau 17 Kit de fixation modulaire S - dimensions

Dimensions (mm)

Variante 1

Variante 2

A

124

B

165-240 par paliers de 15

25-70 par paliers de 15

C

260

D

258

E

161

F

64

G

230

H

9

I

9

J

2

Note

Les fichiers CAO sont disponibles dans la section Téléchargements.

Assemblage

Après avoir sélectionné la variante d’assemblage, procédez comme suit :

  • Étape 1 Choisissez la hauteur de fixation et fixez les 2 vis M6

  • Étape 2 Sécurisez en fixant les 4 vis M6

  • Étape 3 Répétez l’opération pour la seconde moitié du kit de fixation

../../_images/fixation_kit_small_assembly.png
../../_images/fixation_kit_small_assembled.png

Fig. 35 Kit de fixation modulaire pour Asyfill S assemblé (variante 1)