Modularer Befestigungsbausatz S

Mit diesem Befestigungsbausatz kann der Asyfill S in der idealen Höhe montiert werden. Dieser Befestigungsbausatz wird üblicherweise benötigt, wenn ein Asyfill S mit einem Asycube 380 oder 530 benutzt wird oder wenn aufgrund der Nutzung von Zubehör der Asyfill leicht angehoben werden muss. Der Befestigungsbausatz für Asyfill S kann auf zwei Arten montiert werden:

  • Die Montagevariante 1 ermöglicht die Montage eines Asyfills S mit einem Asycube 380 oder 530.

  • Die Montagevariante 2 ermöglicht die Montage eines Asyfills S und eines Asycubes 240 mit einer Slide.

../../_images/fixation_kit_small_variants_wireframe.png

Abb. 33 Montagevariante 1 (links) und 2 (rechts)

../../_images/fixation_kit_small_hidden.png

Abb. 34 Beispiele für die Verwendung des modularen Befestigungsbausatzes für Asyfill S

Hinweis

Der Befestigungsbausatz für Asyfill S ist nicht mit Asyfill M oder L kompatibel. Für Asyfill M oder L müssen Sie den Befestigungsbausatz für Asyfill M/L verwenden.

Hinweis

Die Montagevariante 2 ist nicht mit dem Silo kompatibel.

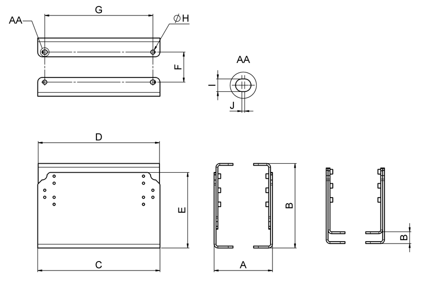
Abmessungen

../../_images/fixation_kit_small_dimensions.png
Tab. 17 Modularer Befestigungsbausatz S - Abmessungen

Abmessungen (mm)

Variante 1

Variante 2

A

124

B

165-240 in Schritten von 15

25-70 in Schritten von 15

C

260

D

258

E

161

F

64

G

230

H

9

I

9

J

2

Hinweis

CAD-Dateien sind in der Rubrik Downloads verfügbar.

Montage

Nachdem Sie die Montagevariante ausgewählt haben, gehen Sie wie folgt vor:

  • Schritt 1 Wählen Sie die passende Höhe und ziehen Sie 2 M6 Schrauben an.

  • Schritt 2 Sichern Sie die Höheneinstellung, indem Sie 4 M6 Schrauben anziehen.

  • Schritt 3 Wiederholen Sie den Vorgang für die zweite Hälfte des Befestigungsbausatzes.

../../_images/fixation_kit_small_assembly.png
../../_images/fixation_kit_small_assembled.png

Abb. 35 Montierter modularer Befestigungsbausatz für Asyfill S (Variante 1)